SKX 異種管用
SKXナット付チーズ【鋼管×ISO-P用】
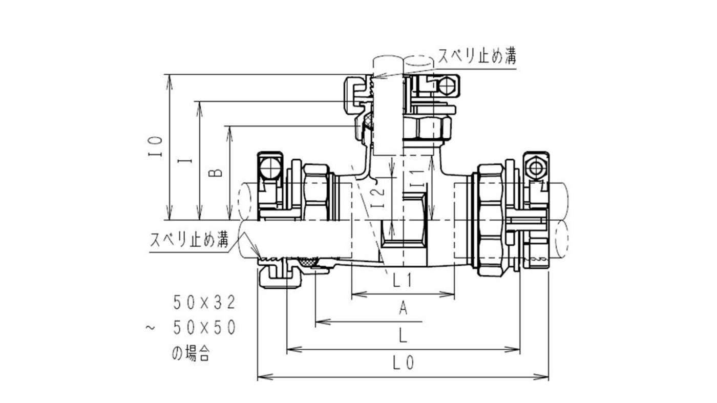
略称:SKX-NT
| 呼び径 | 各部寸法 | |||||||||
|---|---|---|---|---|---|---|---|---|---|---|
| A | L0 | L | L1 | B | I0 | I | I1 | I2 | ||
| MAX | MIN | |||||||||
| 25×ISO-P25 | 93 | 163 | 122 | 53 | 34 | 50 | 85 | 65 | 30 | 23 |
| 32×ISO-P25 | 120 | 195 | 151 | 75 | 34 | 50 | 85 | 65 | 30 | 27 |
| 32×ISO-P30 | 140 | 215 | 171 | 95 | 42 | 70 | 108 | 86 | 48 | 27 |
| 40×ISO-P25 | 120 | 204 | 155 | 74 | 34 | 56 | 91 | 71 | 36 | 31 |
| 40×ISO-P30 | 145 | 229 | 180 | 99 | 42 | 70 | 108 | 86 | 48 | 31 |
| 50×ISO-P25 | 130 | 216 | 167 | 66 | 34 | 71 | 106 | 86 | 51 | 38 |
| 50×ISO-P30 | 140 | 226 | 177 | 76 | 42 | 72 | 110 | 88 | 50 | 35 |
| 50×ISO-P50(JW-P) | 160 | 246 | 197 | 96 | 63 | 85 | 129 | 104 | 49 | 34 |



