SKX 異種管用
SKXナット付チーズ【ISO-P×鋼管用】
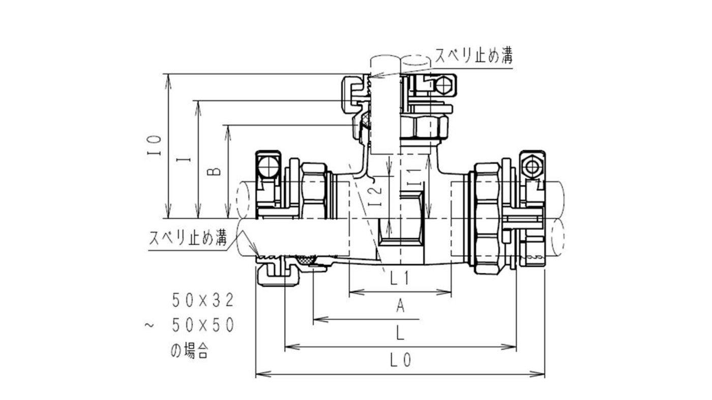
略称:SKX-NT
| 呼び径 | 各部寸法 | |||||||||
|---|---|---|---|---|---|---|---|---|---|---|
| A | L0 | L | L1 | B | I0 | I | I1 | I2 | ||
| MAX | MIN | |||||||||
| ISO-P25×20 | 86 | 156 | 115 | 46 | 27 | 47 | 81 | 60 | 26 | 23 |
| ISO-P25×25 | 93 | 163 | 122 | 53 | 34 | 50 | 85 | 65 | 30 | 23 |
| ISO-P30×20 | 110 | 185 | 141 | 65 | 27 | 49 | 83 | 62 | 28 | 27 |
| ISO-P30×25 | 120 | 195 | 151 | 75 | 34 | 50 | 85 | 65 | 30 | 27 |
| ISO-P30×32 | 140 | 215 | 171 | 95 | 42 | 70 | 108 | 86 | 48 | 27 |
| ISO-P50(JW-P)×32 | 135 | 222 | 173 | 62 | 42 | 72 | 110 | 88 | 50 | 39 |
| ISO-P50(JW-P)×40 | 140 | 227 | 178 | 67 | 48 | 75 | 117 | 93 | 52 | 34 |
| ISO-P50(JW-P)×50 | 150 | 237 | 188 | 77 | 60 | 80 | 123 | 99 | 48 | 34 |



