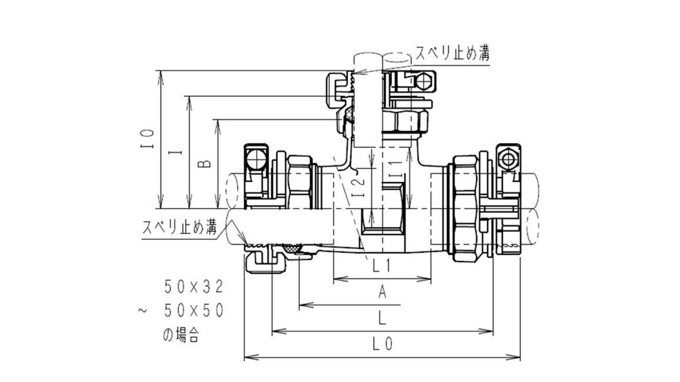
SKX 異種管用
SKXナット付チーズ【ポリ管×内外面被覆鋼管用】
略称:SKX-NT
| 呼び径 | 各部寸法 | |||||||||
|---|---|---|---|---|---|---|---|---|---|---|
| A | LO | L | L1 | B | IO | I | I1 | I2 | ||
| MAX | MIN | |||||||||
| P20×D15 | 83 | 150 | 108 | 40 | 27 | 45 | 79 | 58 | 24 | 20 |
| P25×D15 | 86 | 156 | 115 | 46 | 27 | 47 | 81 | 60 | 26 | 23 |
| P25×D20 | 93 | 163 | 122 | 53 | 34 | 50 | 85 | 65 | 30 | 23 |
| P30×D15 | 110 | 185 | 141 | 65 | 27 | 49 | 83 | 62 | 28 | 27 |
| P30×D20 | 120 | 195 | 151 | 75 | 34 | 50 | 85 | 65 | 30 | 27 |
| P30×D25 | 140 | 215 | 171 | 95 | 42 | 70 | 110 | 88 | 50 | 27 |
| P40×D15 | 115 | 199 | 150 | 69 | 27 | 55 | 89 | 68 | 34 | 31 |
| P40×D20 | 120 | 204 | 155 | 74 | 34 | 56 | 91 | 71 | 36 | 31 |
| P40×D25 | 140 | 224 | 175 | 94 | 38 | 70 | 108 | 86 | 48 | 31 |
| P50×D15 | 125 | 211 | 162 | 61 | 27 | 64 | 98 | 77 | 43 | 38 |
| P50×D20 | 130 | 216 | 167 | 66 | 34 | 71 | 106 | 86 | 51 | 38 |
| P50×D25 | 140 | 226 | 177 | 76 | 38 | 75 | 113 | 91 | 53 | 38 |
| P50×D50 | 160 | 246 | 197 | 96 | 63 | 85 | 129 | 104 | 49 | 34 |



