製品情報

PRODUCTS

スッポンMシステム 

スッポンMTシステム-P×V

主管・既設管:水道配水用ポリエチレン管(ISO-P)  ×  枝管・取り出し管:塩ビ管・鋼管/ポリ管(JIS)・SUS管用

略称:S-MT・ST-P×V



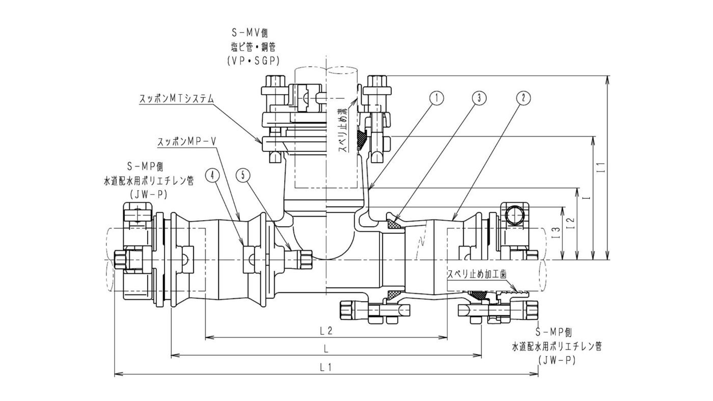
仕様 各部寸法
呼び径 L L1 L2 I l1
I2 l3
ISO-P50×V50
384 516 298〜268
150 227 83 60
ISO-P75×V50 422 562 324~214 165 242 98 75
ISO-P75×V75 442 582 344~234 175 256 102 75
ISO-P100×V75 508 662 382~374 190 271 117 90

注)L2MAXは、パイプの規定挿入量を基にして算出。


一覧に戻る