製品情報

PRODUCTS

スッポンMシステム 

スッポンMTシステム-D×V

主管・既設管:ダクタイル鋳鉄管  ×  枝管・取り出し管:塩ビ管・鋼管/ポリ管(JIS)・SUS管用

略称:S-MT・ST-D×V



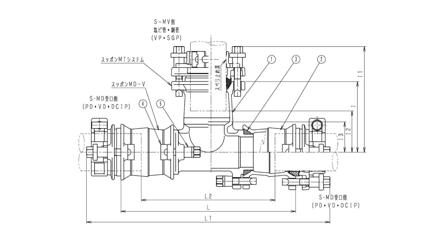
仕様 各部寸法
呼び径 L L1 L2 I l1
l2
D75×V50 414 566 312~276 165 242 98
D75×V75
434 586 332〜296
175 256 102
D100×V75
486 638 378〜338
190 271 117
D150×V75
510 702 382〜348
210 291 137

注)L2MAXは、パイプの規定挿入量を基にして算出。


一覧に戻る