製品情報

PRODUCTS

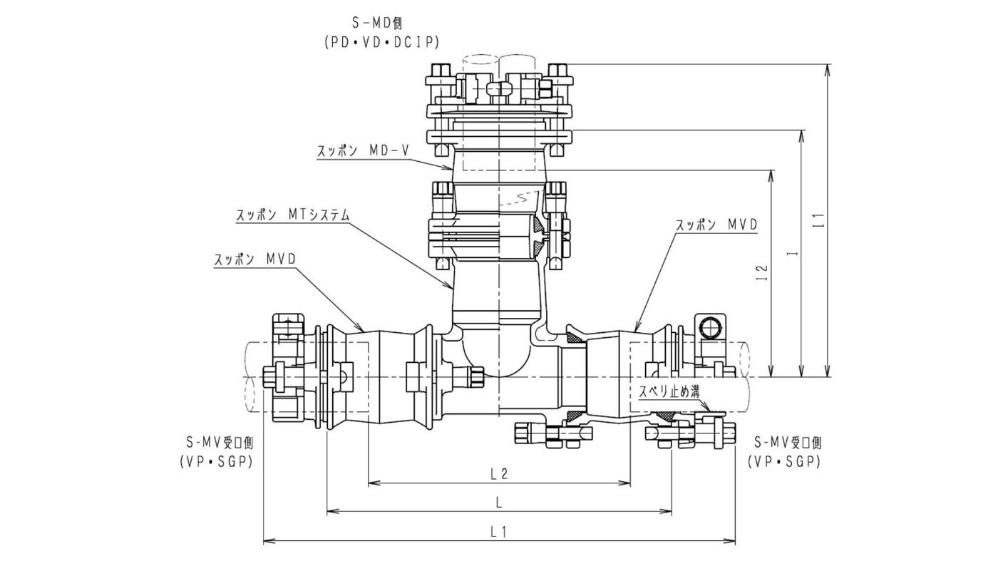
スッポンMシステム 

スッポンMTシステム-V×D

主管・既設管:塩ビ管・鋼管/ポリ管(JIS)・SUS管用  ×  枝管・取り出し管:ダクタイル鋳鉄管

略称:S-MT・ST-V×D



仕様 各部寸法
呼び径 L L1 L2 I l1
l2
V75×D75
442
604
336〜234
317 393 266
V100×D75
492
662
376〜270
332 408 281
V150×D75
506
694
384〜276
352 428 301

注)L2MAX・I2は、パイプの規定挿入量を基にして算出。

※アダプター品となります。


一覧に戻る