製品情報

PRODUCTS

スッポンMシステム 

スッポンMTシステム-D×D

主管・既設管:ダクタイル鋳鉄管  ×  枝管・取り出し管:ダクタイル鋳鉄管

略称:S-MT・ST-D×D



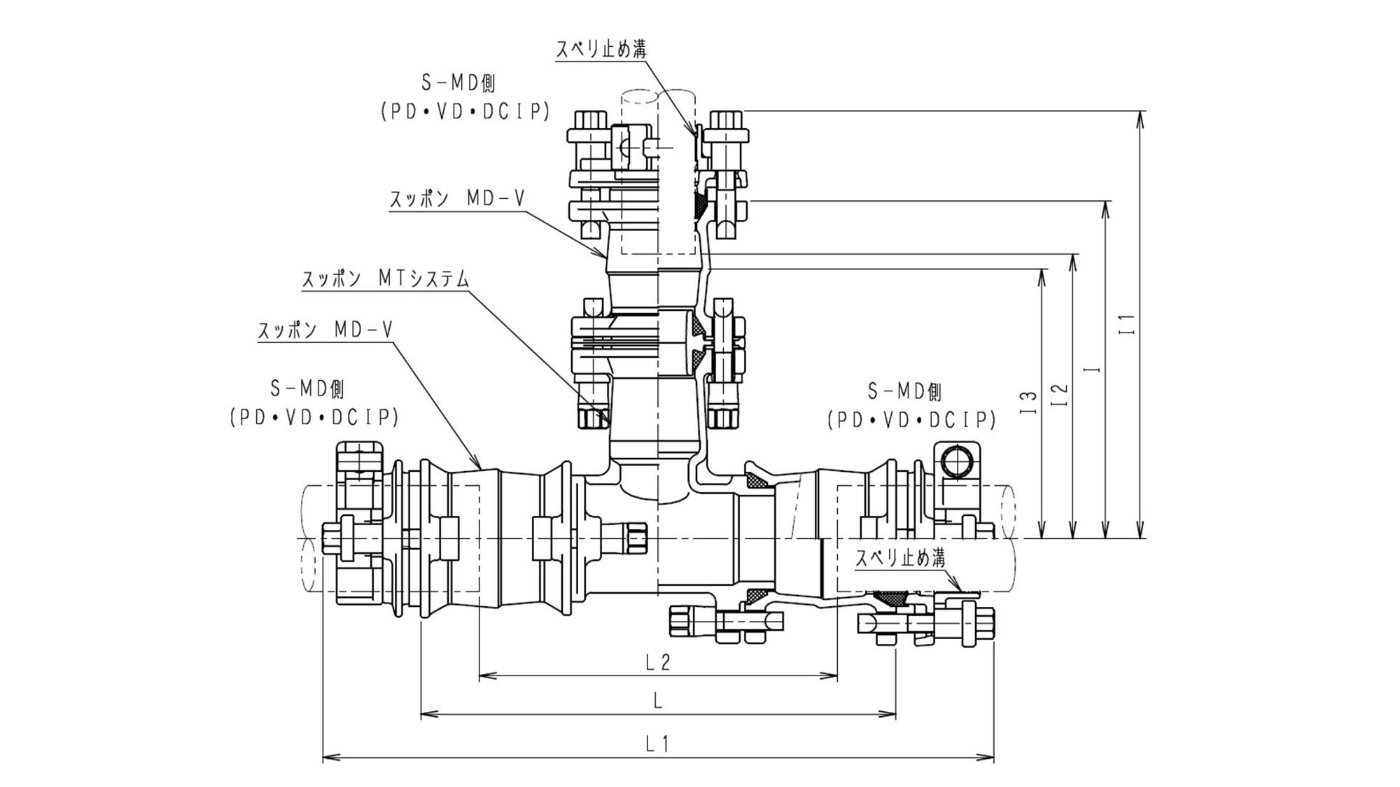
仕様 各部寸法
呼び径 L L1 L2 I l1
l2
D75×D75
434 586 332〜296
317 393 266
D100×D75
486 638 378〜338
332 408 281
D150×D75
510 702 382〜348
352 428 301

注)L2MAXは、パイプの規定挿入量を基にして算出。

※アダプター品となります。


一覧に戻る