製品情報

PRODUCTS

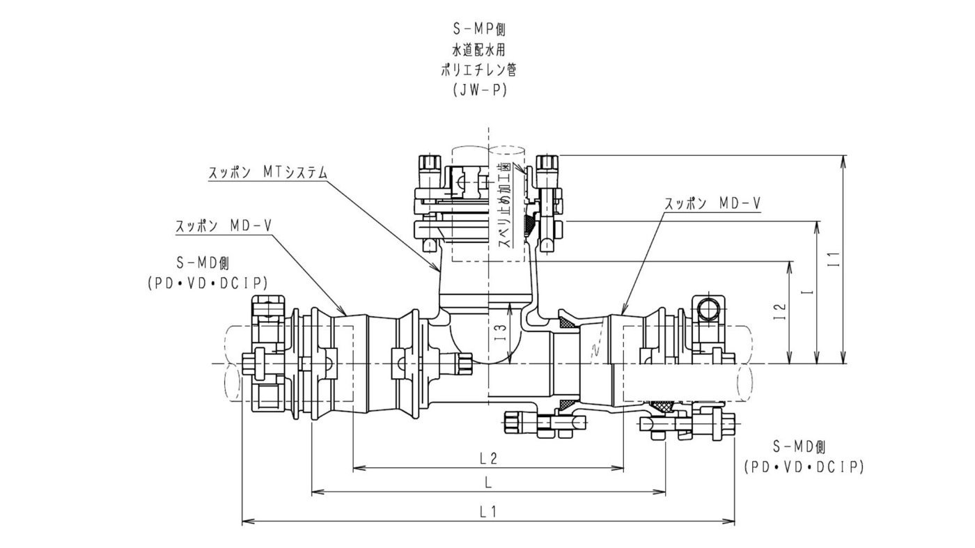
スッポンMシステム 

スッポンMTシステム-D×P

主管・既設管:ダクタイル鋳鉄管  ×  枝管・取り出し管:水道配水用ポリエチレン管(ISO-P)

略称:S-MT・ST-D×P



仕様 各部寸法
呼び径 L L1 L2 I l1
I2 l3
D75×ISO-P75
434 586 332〜296
140 216 93 75
D100×ISO-P75 486 638 378~338 190 266 143 90
D150×ISO-P75 510 702 382~348 210 286 163 110

注)L2MAXは、パイプの規定挿入量を基にして算出。


一覧に戻る