製品情報

PRODUCTS

スッポンMシステム 

スッポンMTシステム-V×P

主管・既設管:塩ビ管・鋼管/ポリ管(JIS)・SUS管用  ×  枝管・取り出し管:水道配水用ポリエチレン管(ISO-P)

略称:S-MT・ST-V×P



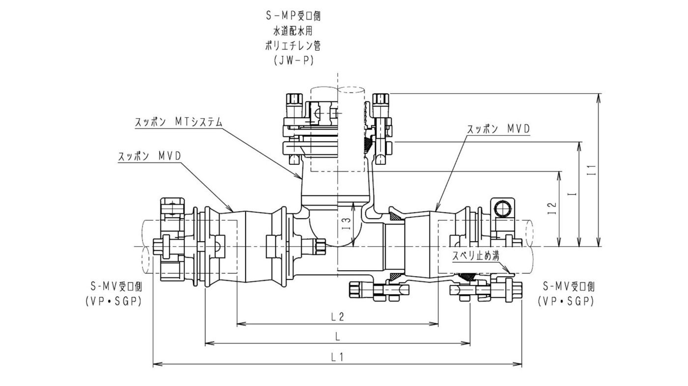
仕様 各部寸法
呼び径 L L1 L2 I l1
I2 l3
V75×ISO-P75
442
604
336〜234
175 251 128 75
V100×ISO-P75 492 662

376~270

190 266 143 90
V150×ISO-P75 506 694 384~276 210 286 163 110

注)L2MAX・I2は、パイプの規定挿入量を基にして算出。


一覧に戻る