ビニスト
ビニストショートⅡ
〔RR形用分解不要離脱防止金具〕
呼び径 40・50
呼び径 75〜150
業界初の分解不要タイプ
独自の方式により製品の連結一体化をはかり、部品を分解せずに施工可能
外面耐食性が大幅に向上
外面は目標膜厚0.08mm以上の粉体塗装品で、耐食性が飛躍的に向上
ボルトナットはネジ部が外部に露出しない袋ナットと防食ボルトを採用
注)呼び径40・50はステンレス製ボルトナットになります。
伸縮可とうできる実用的離脱防止金具
呼び径75以上は、連結バンド(受け口部)と締付バンド(挿し口部)が独立した構造で十分な伸縮量と可とう角を実現
性能
| 呼び径 | 耐圧性 | 伸縮量 | 可とう角 | 最高使用水圧 (静水圧) |
|
|---|---|---|---|---|---|
| 水平 (1分間) |
4°の曲げ角 (1分間) |
||||
| 40・50 | 4MPa | 2MPa | 9mm以上 | ±4° | 0.75MPa以下 |
| 75~150 | 2MPa | 2MPa | 9mm以上 | ±4° | 0.75MPa以下 |
注)最高使用圧力0.75MPa以下でご使用下さい。
注)VH管でご使用の際はSKビニストッパーVN形をご使用下さい。
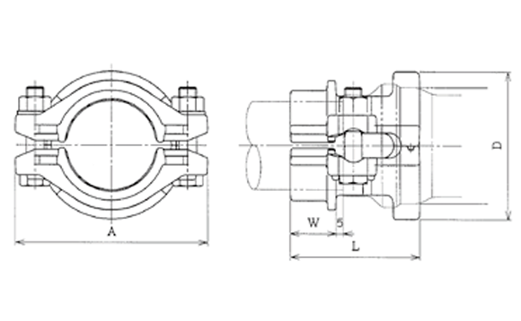
呼び径 40・50
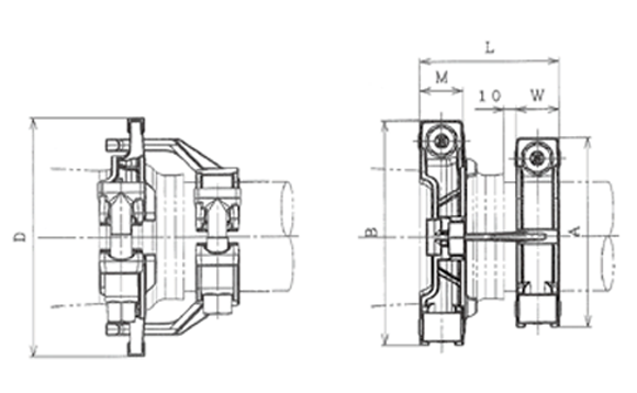
呼び径 75〜150
| 呼び径 | 各部寸法 | |||
|---|---|---|---|---|
| A |
L | B | D |
|
| 40 | 112 | 93.5 |
− |
84.6 |
| 50 | 131 | 88.2 |
− |
100.5 |
| 75 | 155 | 123.0 |
184 |
191.2 |
| 100 |
182 | 136.0 |
217 |
225.4 |
| 125 | 211 |
143.0 |
246 |
267.6 |
| 150 | 237 |
157.0 |
278 |
299.6 |



