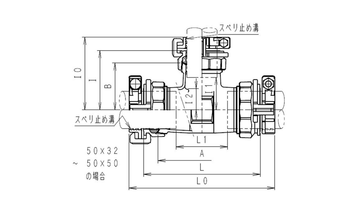
SKX ISO-P用 SKXナット付チーズ 【ISO-P×ISO-P用】 略称:SKX-NT 呼び径 各部寸法 A L0 L L1 B I0 I I1 I2 MAX MIN ISO-P25×ISO-P25 93 163 122 53 34 50 85 65 30 23 ISO-P30×ISO-P25 120 195 151 75 34 50 85 65 30 27 ISO-P30×ISO-P30 140 215 171 95 42 70 108 86 48 27 ISO-P50(JW-P)×ISO-P50(JW-P) 150 237 188 77 63 85 129 104 49 34